Zosilňovač DATA signálu GLEDOPTO
Kód: GLT-ZOS-01Súvisiaci tovar
Podrobný popis
Popis
Zosilňovač dátového signálu pre digitálne LED pásiky
Pri dlhších LED inštaláciách môže dôjsť k oslabeniu alebo skresleniu dátového signálu medzi riadiacou jednotkou a LED pásikom. Tento jav často spôsobuje blikanie, nepresné farby alebo úplné zlyhanie prenosu dát, najmä ak je vzdialenosť medzi ovládačom a prvou LED diódou väčšia ako približne 5 – 10 metrov.
Zosilňovač dátového signálu tento problém rieši tým, že regeneruje, stabilizuje a zosilňuje prenášaný signál. Zabezpečuje tak spoľahlivú komunikáciu a synchronizáciu efektov aj pri dlhých alebo rozvetvených LED systémoch.
Kľúčové vlastnosti
Regenerácia dátového signálu
Zosilňovač prijíma vstupný signál z ovládača a obnovuje ho do čistej, plnohodnotnej formy pre ďalší úsek LED pásika.
Integrované prepínanie odporu na výstupe (249 Ω / 33 Ω)
Kľúčová výhoda, ktorá umožňuje prispôsobiť zosilňovač rôznym typom inštalácií:
- 249 Ω odpor je vhodný pri samostatných alebo dlhých dátových kábloch (cca 10 m),
- 33 Ω odpor je ideálny pri trojžilových kábloch, kde sú vodiče (V+, GND, DATA) vedené blízko seba.
Táto možnosť prepínania zjednodušuje zapojenie a eliminuje potrebu dodatočných rezistorov vo vedení.
Možnosť použitia viacerých zosilňovačov v sérii
Možnosť použitia viacerých zosilňovačov v sérii pre rozsiahle osvetlenie.
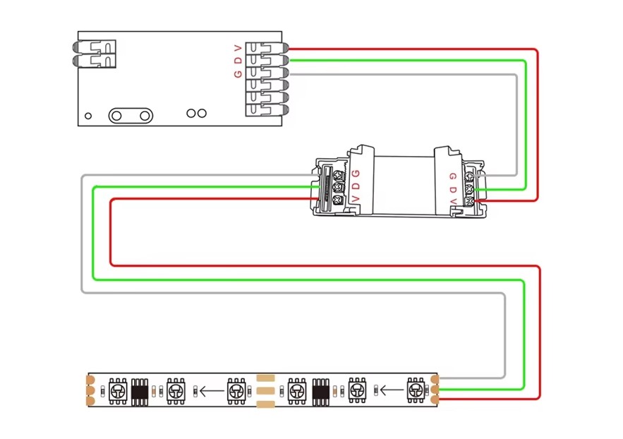
Schéma zapojenia
Zosilňovač signálu sa zapája priamo medzi výstup riadiacej jednotky a vstup LED pásika. Napájanie zosilňovača je zvyčajne zabezpečené priamo z rovnakého zdroja ako LED pásik (zdieľané vodiče V+ a GND).
Nastavte odpor podľa typu a dĺžky kábla:
- pre dlhšie samostatné dátové vedenie (napr. viac ako 10 m) použite odpor 249 Ω,
- pre kratšie vedenie alebo trojžilové káble, kde sú vodiče V+, GND a DATA blízko seba, nastavte odpor 33 Ω.

Dodatočné parametre
| Kategória: | Riadiaca jednotka |
|---|---|
| Model: | GL-BS-001WL |
| Napájacie napätie: | 5V-48V |
| Výstupný prúd: | 20A Max |
| Výstupný odpor: | 249 Ω / 33 Ω |
| Krytie: | IP20 |
| Prevádzková teplota: | -20℃~45℃ |
| Materiál: | ABS |
| Rozmery: | 115x35x24mm |
| Položka bola vypredaná… | |
Buďte prvý, kto napíše príspevok k tejto položke.




